法蘭式智能調節偏心蝶閥 ZAJD4X、ZAJD4H、ZAJD4F
- 產 地:上海
- 型 號:ZAJD4X、ZAJD4H、ZAJD4F
- 公稱壓力:0.6MPa~1.6MPa
- 公稱通徑:DN50~DN400
- 適用介質:氣體,蒸汽,水,煤氣,天然氣,油等
- 適用溫度:-40℃~600℃
一、產品概述
智能調節式電動執行機構與偏心蝶閥配套能自動接受工業自動化調節儀表或計算機輸出的4-20MA或1-5VDC標準信號達到對溫度、流量、壓力的控制廠泛應用于工業部門的節流裝置之中。
法蘭式智能調節蝶閥蝶閥產品特點
1、硬密封蝶閥采用三偏心密封結構,閥座與蝶板幾乎無磨損,具有越觀越緊的密封功能
2、密封圈選用不銹鋼制作,具有金屬硬密封和彈性密封的雙重優點,無論在低溫和高溫的情況下,均具有優良的密封性能,具有耐腐蝕,使用壽命長等特點
3、蝶板密封面采用堆焊鈷基硬質合金,密封面耐磨損,使用壽命長
4、大規格蝶板采用絎架結構,強度高,過流面積大,流阻小
5、硬密封蝶閥具有雙向密封功能,安裝時不受介質流向的限制,也不受空間位置的影響,可在任何方向安裝
6、驅動裝置可以多工位(旋轉90°或180°)安裝,便于用戶使用
標準規范:1.法蘭連接尺寸:GB/T9113.1-2000 GB/T17241-1998 JB/T82.1-1994
結構長度:GB/T12221-1989
壓力試驗:GB/T13927-1992;JB/T8527-1997
法蘭智能偏心調節蝶閥主要參數:1.適用介質:氣體,蒸汽,水,煤氣,天然氣,油等。
適用溫度:-40℃-600℃
控制精度:0.1%-3%(可調)
二、主要技術參數
三、主要零部件材料
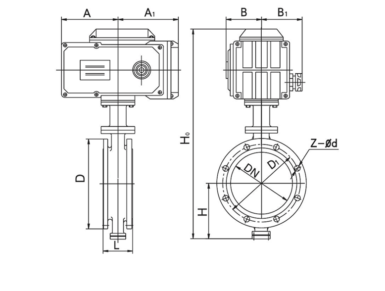
四、主要外形與連接尺寸




